トップページへ戻る       ものに関わってのメニューへ戻る


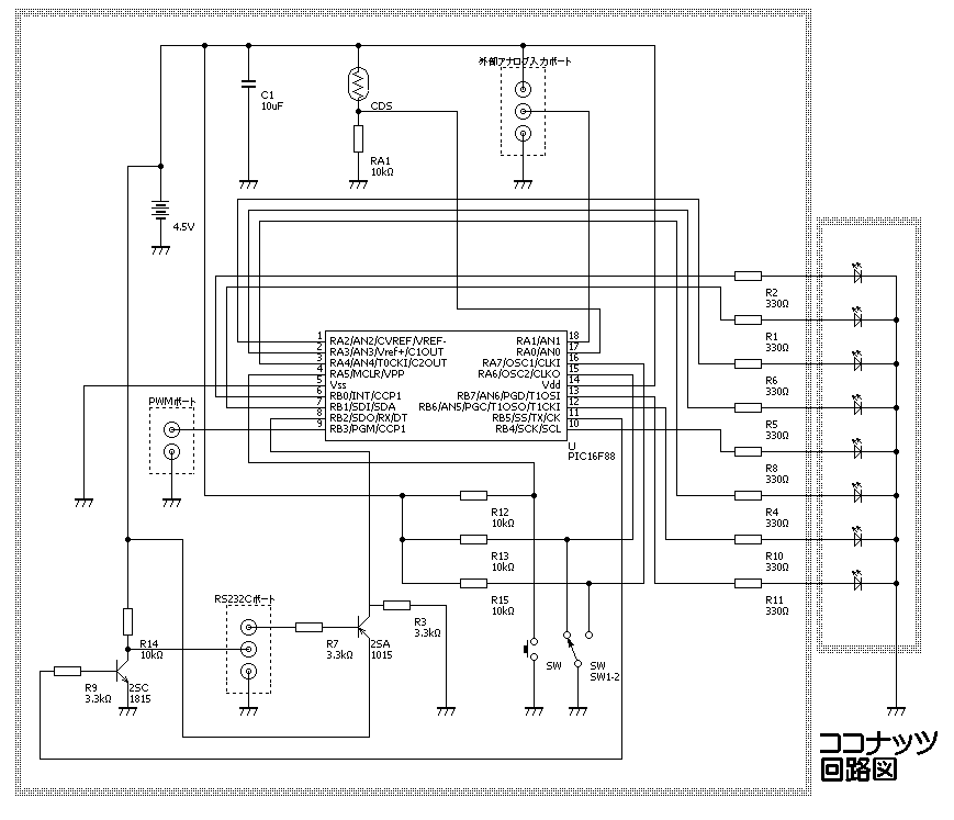
回路図の清書(pic88)

今まで、ココナッツに関わってハードウェアの製作や、基板のプリント配線図などをおこなってきていながらも、回路図は基本的な接続図を手書きでしてあっただけだった。
生徒にとっては回路構成についてはブラックボックスでかまわないと考えているが、さすがに指導する先生からはちゃんとした回路図もないのかとおしかりを受けることもあった。
3連休だったので、回路図を清書してみた。

使ったソフトはフリーの回路図エディタ。
水魚堂 回路図エディタBSch3Vhttp://www.suigyodo.com/online/schsoft.htm
大変使いやすくすばらしいもの。設計思想も整理されていてわかりやすい。
こういうものをフリーで公開して頂けるのは何ともありがたいことです。

使いこなすにはそこそこ時間がかかったが、何とか作り上げることができた。

これは、ソフトからBMPで出力したものをgifで置き換えたもの。

ちなみにBSch3V用のデータはこちら




トップページへ戻る       ものに関わってのメニューへ戻る